Bauwahn-Projekt

Mia baue e Bauwahn!!!!

bauwagen-projekt@kathjugendfl.deDiese Seite ist auch auf Deutsch verfügbar ->

Tag 0 (25./26./30. Juli 2016):

Tageswannerung Zeltlager 2016:
b8a42d95-84f8-47ec-be7e-288760b0c3edMia ware mit de Kinna an de Wern’s Miehl. Mir han e bisje fazählt, un do simma druf komm, dass mir frieher immer dene Spielewahn von de 72Stunne-Aktion uffem Zeltplatz stehn hodde. Der wo immer am Kinnagarde in Laudebach gestann hat. Ansich war das schon e gud Sach mit dem Bauwahn, un do hott de Manu gesah: „Äh alda, beim Onkel steht enna. Den wolda ma schon vor 2 Johr schenke. Ich menn, du darfsch dich vom erschde Indruck ned blende losse, awa den krimma nomo hin. De Rahme kennt mit e bisje Glick noch gudd sin.“ Uffem Hemwehsch hama uns dann iwwaleht was ma draus mache. Es war klar, dass ma alles erschmo runnareise misse. Also eigendlich hodde ma vor den Wahn als großer Hänger se nutze, womit ma das ganze Klänzeich, die Großraumzelde, es Kichezeuch, es Gescherr un so weider in enner Tour niwwa fahre kenne. Uffem Zeltplatz soller dann es Gruppeleiterzelt ersetze. Un e Dusch sollt nin. Do hama das Werk awa noch ned vor Aue gehad, also sinn de Manu, de Lukas un de Simon dienschdachs in da Middachspaus direkt no de Formulare mit de Sens un nem Reche gugge gang. Do is dann ach das Bild owwe entstann. Mia konnde uns ned lumbe losse un han direkt angefang freiseschneide, dass ma mo drahn komme. Also die Achse ware noch gudd. Uns Gestell is ach noch ok. Gebremst issa ach. Meh ach ned. Ah doch, die Räfe, die hochgestellt ware, die hodde noch Luft. No 60 Johr echt e Wunna. De vordere Dähl vom Uffbau war durch, hinne konnt ma zuminisch noch drin stehn. Der Bauwahn war mo e Bienehäusje, dementsprechend hats ach drin ausgesiehn. Die Käscht sin wohl geblündert woa. De erschde Indruck war geb, awwa ma durfde uns dovon -wie schon gesaht- ned blende losse. Es war eh klar das alles nuna muss. Meh hodde ma an dem Dach awwa ned gemach gehadd, nur IMG-20160726-WA0036e paar Bilder, un uff de Hemtour es Brot beim Wanschura abgeholl. Da uns de Maddin sei Traktor ned genn wolld, isses die Woch dann ach dobei geblieb. Ersch samschdachs sin mir (also Manu un Simon) mim Maddin dann genauer gugge, hann die Typeschildscher von da Achs, da Brems un da Zuggabel fotografiert, das ma mo rechaschiere konnde. Dahem beim Maddin am Disch war dann halt ach recht schnell klar, dass das mit dem Transporthänger eher wenischa was werd, weil der dofür vom Gewicht her ned zugeloss is. Schad eigendlisch, misse ma mo guge. Wenn die Zelde, Truhe un Palette zu schwer sin, dann zuminisch fer die Gaskocher un es Gescherr werder lange. Un es Kreuz, die Fahnestang, un die Dusch. Werd die dusch hald greeser. Un üwer die unangenehme Koschde von dem Projekt hamma uns unnerhall. Aus da Jugendkass aleen were ma das ned bezahlt grin. Mir suche also Sponsore!

Tag 1 (1. August 2016):

„Bauwahn Logbuch, Tag 1: Er brennt.
Am Montag, 1 August 2016, trafen sich spontan Ela und Hanna, Max, Lukas und Simon, um mit der Demontage des Altaufbaus zu beginnen. Zunächst wurde mit Freischneidern der Bauwagen rundherum freigeschnitten. Aus unerklärlichen Gründen fiel der Bauwagen danach einfach in sich zusammen. Der Spanngurt war nur Deko. Um 19:40 Uhr Ortszeit traf Manuel mit einer Kiste Bier, 6 Flaschen Limo, 4 Flaschen Cola und 3 Flaschen Sprudel dazu. Außerdem hatte er zu unserem Verhängnis Feuerzeug und Zeitungspapier dabei. Um 20:15 traf die Familie Steffen Zeyer mit Hund ein, die sich über ein etwas zu großes Feuer und ein nicht ganz kaltes Bier freuten. 22:12, Familie Herz kommt hinzu, die sich ebenfalls über Bier und grün-blaue Glut freut.“

IMG-20160801-WA0008Also Dach ens war jo eher so was spontanes. De Simon hat eigendlich spasseshalwer mojens in die Elite (Elite, Whatsapp Gruppe. Eine Gruppe, in der sich die Junge austausche) geschrieb: „Wer hädden heut Omend so ab 6 grundlegend Zeit un Lust mit se komme un de Bauwahn freizuschneide?“ Wie na in unserm Logbuch leese kenne, is das bisje ausgeartet. Es is jo schon ganz gud beschrieb, brauch ich ned se wiederhole. Wie ma ferdisch ware, hadda dann geleh, un die erschde Bretter han schon gebrannt. (Dasses gebrannt hat kenne ma jetzt jo schreiwe, jetzt isses jo weg.). Mir hodde dann awa gehe 11 Feieromend gemach, mit da Absprache, dass ma uns „morje“ nomo treffe.

 

 

Tag 2/3 (2.-3. August 2016):

Wie abgemacht ware ma um halwa 7 dann se acht (Manu, Max, Simon, Lea Sch., ’s Ela, de Lukas, es Hanna un IMG-20160802-WA0002de Pader Brendel) uff em Maddin seiner Wies. Seersch hamma uns ausem Max seiner Plane mo e unnerstand gebaut. So richdich pfadfindermäsisch mit Kabel abgespannt un Balge vom Bauwahn hochgestellt. Es hat jo gehies es werd bisje nas, was uns garned mo so unrecht war, dass ned die Hecke anfange se brenne. Es Hanna war uns e nettes Picknick kaafe, das ma dann beim ausenana robbe von dem Teil gemütlich verzehrt han. Zwischedorsch is ach noch die beigeruf Verstärgung ingetrudelt: s‘ Lara, s‘ Steffi un de anner Maddin. Bis um 11 hodde ma dann de Bode runna, un es Gestell war frei. Bis dohin wars awa e recht beschwehrlicher Wesch. Mir hodde e Haufe Teerpappe, Styropor un Medallzeich se sortiere un in blaue seck se pagge.

IMG-20160803-WA0005

Anschließend sin dann fascht all hem, de Max, Manu, Simon uns Hanna sin iwwa Nacht zum verbrenne vom Holz geblieb. Als Lagafeuer, das ma ned kalt grin nadirlich. Gehe acht mojens hodde ma ach fascht alles weg, de Lukas war um neun mim Schuana komm un hot em Maddin sei Hänger mit, dass ma de Müll verlade konnde. Wie ma alles nunna hodde war de Moje ach rum un mir hann em Maddin no Absprache de Hänger vor die Dier gestellt. Somit war Tag 3 fa uns dann se enn.

 

 

Tag 4 (4. August 2016):

Donnaschdach moje um 11. Es Ela, Manu, Lukas un Simon stehn Spalier beim Maddin dahem. Nodem er de Traktor ferdisch hodd un unser Peugeot mit neie alde Mercedes-Reefe un nem Wacheheewer belad war, simma dann los e nuff. Mit fill WD40 sin die Schrauwe dann uffgang an de Reefe, awa die wo ma mitgebrung hann han ned gebasst. Also die alde nomo druff, misse se halt lange bis e nunna. Dann hamma de Traktor an de Hänger gedun un hann mo angezoh. Die Bremse ware nadirlich zu, mit viel gewalt issa dann awa gerollt. Gugen selbsch wie scheen er is.

 

IMG-20160804-WA0021Als ma ne unna hodde hats dann leider nomo geränt, also hama de Müll uff de Wertstoffhof gefahr. Nomo in Laudebach war de Lukas dann heem zum Esse, un de Rescht hat dann gegugt was ma han. Nom hochbocke ware seersch die Räfe dran. Die sin recht gut abgang, un dann ware die Trommelbremse drahn. In beide han die Meis drin gehaust, un da der Meschanismus von da Uflaufbrems komplett zu is, hama ersch mo misse die Bolze klobbe. Am enn IMG-20160804-WA0028vom Dach ware se beide uff, un siehn ach noch gud aus. Mir misse jetzt hald gugge das ma die Ufflaufbrems nomo hin grin, noch neue Reife fer uff die Felge organisiert grinn, un wenn das alles laaft mo guge was de Tüv mennt.

 

 

 

Zwischenstand (11. August 2016):

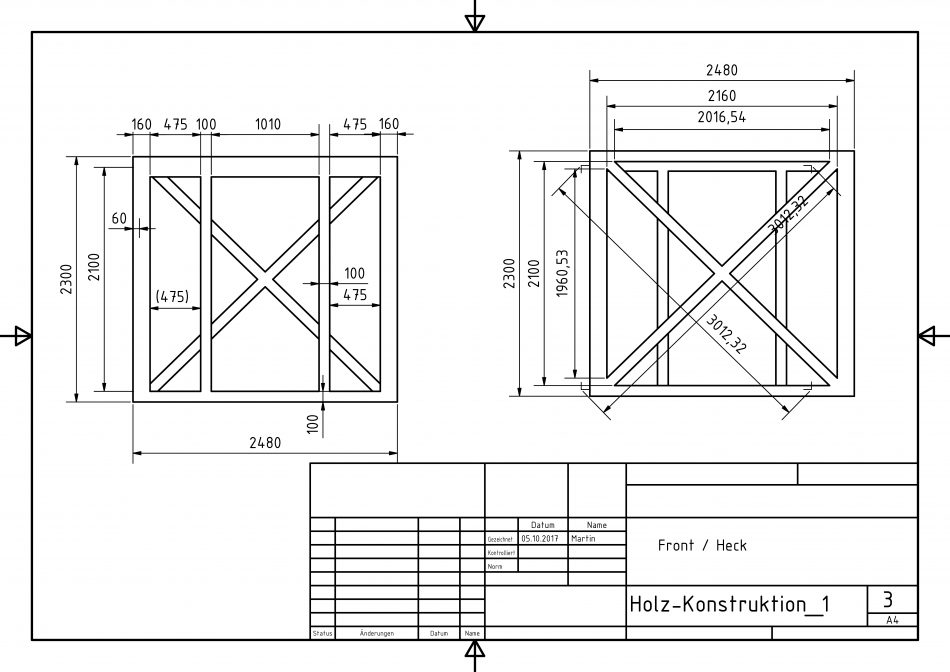
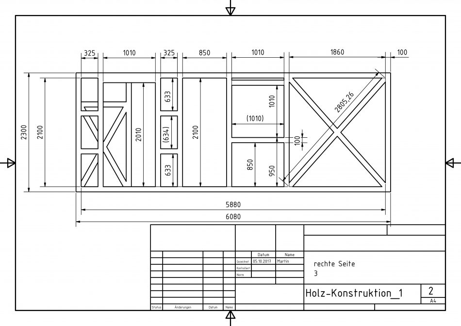
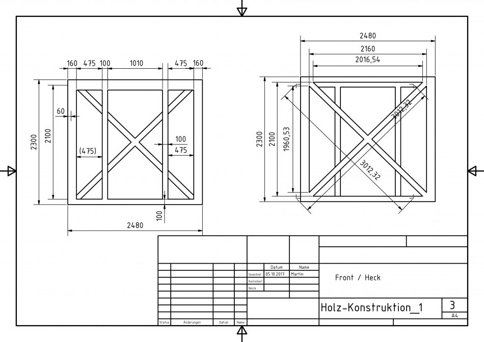
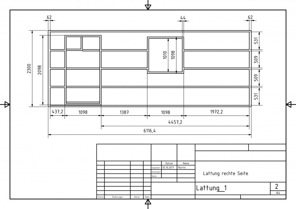
So, weider simma bis jetzt noch ned. Dofür, dass ma ersch „Anfang nächsten Jahres“ anfange wollde, simma schon gut debei. Wie na siehn schaffe viel motivierte junge Leut an dem Projrkt, die finanzielle bzw. materielle Unnastützung suche! De Maddin versucht sich im Moment mo noch an nem 3D Modell von dem was ma vorhan, sodass sich eventuelle Sponsore dovon e Bild mache kenne un ned vom erschde Induck so geblendet sin.

 

Tag 5 (10. September 2016):

Es müsst mo nomo was gemach genn, hats gehiesch. Samstag moje, pünktlich zwische 9 un halb 10 hann ma uns beim Maddin hinnam Haus ingefunn. Mir heist die übliche, Max, Manu, Lea, Ela, es ana Anna, Hanna, Simon, Lara, Joana, Anna-Lena, un de Steffen war ach do. Plan für de Tach: Rahmenummer, Zerlehe, alles was sich bewehe soll nomo beweglich mache, jo. Die Junge hann sich am Anfang uf die Suche no der Nummer gemach, un de Rest die Gawwel ausenanna geholl. Das sich die Ufflaufbrems nomo beweht, hamma gesaht gridd, solle ma die mo gud warm mache.

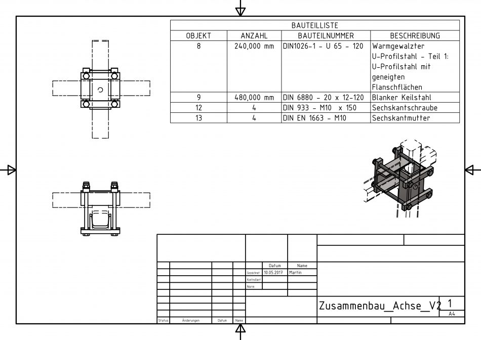
zusammenbau Achsverbinder

 

 

Die Firma Bill hots schweere Geschütz debei, un ma muss sahn, mim dicke Hammer hats dann noher echt gang. Das Ding is gefettet un laaft. Sau gudd. Dann hamma de Drehschemel ausenanna geholl, genau so sauwer gemach, gefettet. Do ware hauptsächlich es ana Anna un es Hanna dran beschäftigt.

 

 

Tag 6 (11. März 2017)

No nem verlängerte Winderschlof ware dann ah mol die Rääfe dran. Also hann ma uns se dritt um 9 getroff, weil ma um halwa 10 e Termin beim Reife Ulrich hodde, um die alde Profile von de Feljer abseziehe. Hinnerher hann ma dann erst mol mim Kärcher so de schlimmschte Dreck und die meist Farb abgestrahlt. Während die Feljer dann getrockelt sinn, war ma im Baumarkt Matreal zum weitere Schleife un Streiche kaafe. Anschließend ware ma dann, mittlerweile zu viert am Jugendraum un hann angefang das Zeich se schleife. Das hodd e bissje gedauert un ach für geherischer Muschkelkater gesorcht.  De erste Feljer den ma gestrich hann war net so ganz blank geschliff un so hat die Farb halt net so gudd ausgesiehn. Also hann ma die Feljer alle ganz Blank gemacht un scheen matt-rot gestrich. Das war dann e Sach von vier Stunne.

Ma bedanke uns recht herzlich beim Reife Ulrich fürs ab- un widda uffziehe von de Profile uff die Feljer un bei de Nochbarschaft für aushalle von de lang anhaltende Bohrmaschienegeräusche un de laut Mussig, die dene Lärm nadierlich üwwatönt hat, weil ma jio ohne Mussig bekanntlich net gudd schaffe kann.

 

 

Tag 7 (18. März 2017)

In de Woch druff hodde ma widda um halwa 10 e Termin beim Reife Ulrich, awwa diesmol um die neie Profile uffseziehe. Es hodd arisch geränt, awwa mir hann trotzdem weiter gemacht un die Achse erscht mol im Maddin sei Garage geschleppt. Dort hann ma se dann abgeschliff, was awwa net so viel arwet war, weil das gudde alte Gusseise fast rostfrei geblieb war. Dann hann ma noch die Bremse un die Raduffhängung sauwa gemachr un alles frisch geschmiert sesammegesetzt. Dann hann die Däle unna einigem Kraftuffwand no Ferth geschafft un se dort gestrich.

 

 

Tag 8 (Sommer&Herbst 2017)

Wie ma sieht lieht hier mo widda e recht großer Zeitraum zwische unsre Berichte. Für externe Leit sieht der vielleicht e bissje leer aus, fast so als hädde ma nix geschafft, awwa das stimmt so net. In der Zeit hann mir viel geplant, Spende gesammelt un Matreal beschafft.

 

 

Un außerdem musst jio ach es Zeltlager sauwer ablaafe, für das jio de Bauwahn ach bestimmt is. Zwischedruch hodde ma irgendwann ach mol Zeit gefunn, um de Unnnerbau widda sesammesesetze, was dann ach es repariere von de Brems zwangsläufig zur Folge hodd.

 

 

Seit Anfang Herbst hann ma ach no na Scheier odda so was ähnlichem gesucht, um de Uffbau im Trockene mache se kenne. So Mitte November rum sinn ma dann ach fünnig genn: E alder Perdsstall, die än Hälft uff (groß genuch dass de Bauwahn ach mit geplantem Uffbau ninngeht), die anner Hälft geschlossner Stall mit Boxe, soll jetzt als Werkstatt herhalle. Zum Miete von dem Ding musste dann noch e paar Formalitäte geklärt werre, bevors dann endlich widda aktiv weiter eghn konnt.

 

 

 

Tag 9 (23. Dezember 2017)

Nodem am Donnerstach de Manu un de Maddin de Unnerbau von Laudebach aus zum neie Arwetsplatz gebrung hodde, hann de Simon un de Lukas die „Location“ so präpariert, dass se ach wie e Werkstatthall nutzbar war. So hann se zum Beispiel neie LED-Strahler verbaut, damit ma ach was sieht beim Schaffe, neie Schlösser an die Diere gemacht, damit ach kenna es Werkzeich un es Matreal klaue kann, un die große Öffnunge provisorisch mit Plane abgehängt, damits nimme so zieht. Hinnerher hann se de Wahn noch so uffgebockt, dass er ach richtich im Blei stand.

 

Tag 10 (Januar und Februar 2018)

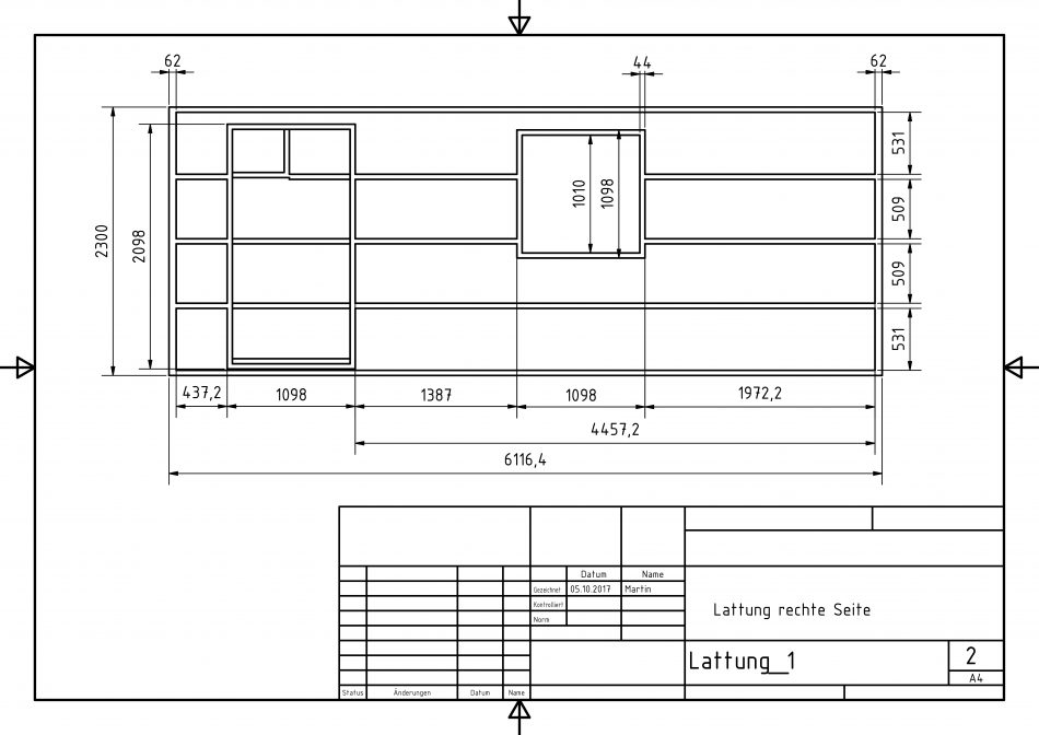
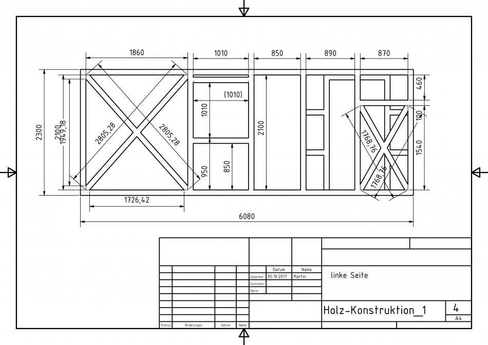
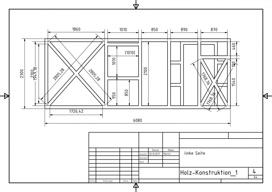
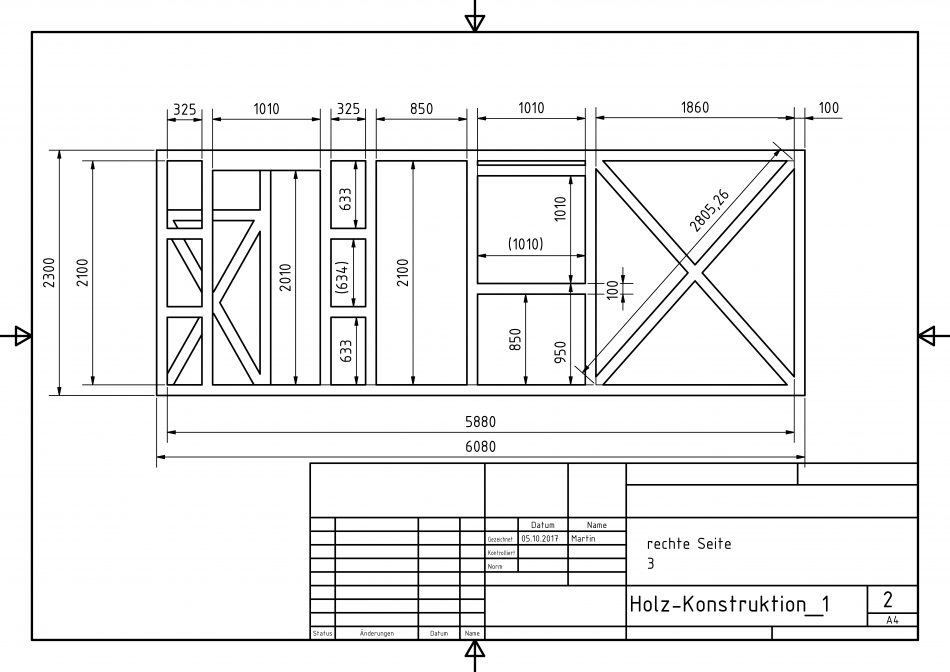
In denne zwei Monate hann ma dann endlich kenne baue, awwer guggen selwer:

Tag 11 (2.März 2018)

Uff enmol wars dann soweit. Es erschde mol sollt er gefahr werre mim neue Uffbau. E bissje Schiss hodde ma jio schon, dass uns die ald Technik im Stich losst.